| Schon gewusst, ... |
| Die IG FTF erhebt und speichert personenbezogene Daten ihrer Mitglieder unzugänglich für Unbefugte, gibt diese weder an Dritte weiter noch werden sie zu anderen als den bestimmungsgemäßen Zwecken genutzt. Minimale Informationen sind allen Mitgliedern und sehr begrenzt für Besucher erkennbar. Mitglieder haben Anspruch auf umfassende Information und Korrektur der gespeicherten Daten; als Autoren verzichten sie auf das Recht zur Löschung der Stammdaten. Wer das nicht will, darf kein Mitglied werden. Alle nichtöffentlichen Bereiche sind nur den verifizierten Mitgliedern zugänglich.> |
Aktuelles Datum und Uhrzeit: 30.10.2025, 14:31
Alle Zeiten sind GMT - 2
|
| Autor |
Nachricht |
TipFox
Moderator
Status:  Eintritt: 06.04.2006 Mitgliedsnr.: 11 Beiträge: 1733 #: 70 BL: NRW 
|
1/2, Verfasst am: 09.07.2009, 11:34
Betreff:
Graetz Grazia 1131
|
|
|
Liebe Radiofreunde,
ich möchte hier kurz ein schickes Transistorradio vorstellen:
das Graetz Grazia 1131
Ich habe das Gerät für Gerald (snzgl) repariert und danach auch die nachfolgenden Photos angefertigt.
Das Radio gehört in die Saison 1962/1963 und sieht sehr elegant aus, fast schon wie eine kleine Damenhandtasche. Es wiegt nur 500 Gramm.
Auf der Unterseite findet man einen Kopfhöreranschluss:
Beachtlich für dieses frühe HalbleiterGerät (9 Germaniumtransistoren, 3 Ge-Dioden) sind sicher die beiden Empfangsbereiche: MW und UKW!
Im Mittelwellen-Bereich arbeitet der Empfänger mit einer eingebauten Ferritantenne.
für den UKW-Bereich gibt es einen Rahmen im Gehäusedeckel und zusätzlich wird die aus Metall geflochtene
Trageschnur als Antenne verwendet.
An einer Seite ist diese Trageschnur mittels Clip befestigt:
Der Clip ist recht aufwendig gearbeitet: im MittelStück befindet sich eine Feder, die das obere Gelenkteil und das untere Teil zum Einstecken kontaktiert um Wackelkontakte zu verhindern.
Auf der anderen Seite der Trageschnur gibt es ein IsolierStück, auf dem man auch sehr dezent den Gerätenamen untergebracht hat:
Die Kombination Rahmen/Trageschnur funktioniert erstaunlich gut. Voraussetzung ist allerdings, dass Trageschnur und Clip keine "Wackelkontakte" haben, und damit wären wir bei der Reparatur ...
Bei seiner Ankunft spielte das Gerät leidlich auf MW, bei UKW kam nur Rauschen.
Die Ursache für den müßigen MW-Empfang hatte ich schnell gefunden: die Ferritantenne war bereits einmal geklebt worden und nun wieder zerfallen.
glücklicherweise konnte man den Stab seitlich einfach aus der Spule ziehen und durch einen Neuen ersetzen (lag hier so rum ).
Nach Korrektur der Schwundregelung spielte MW wieder hervorragend und laut ....
Nun ging es an UKW...
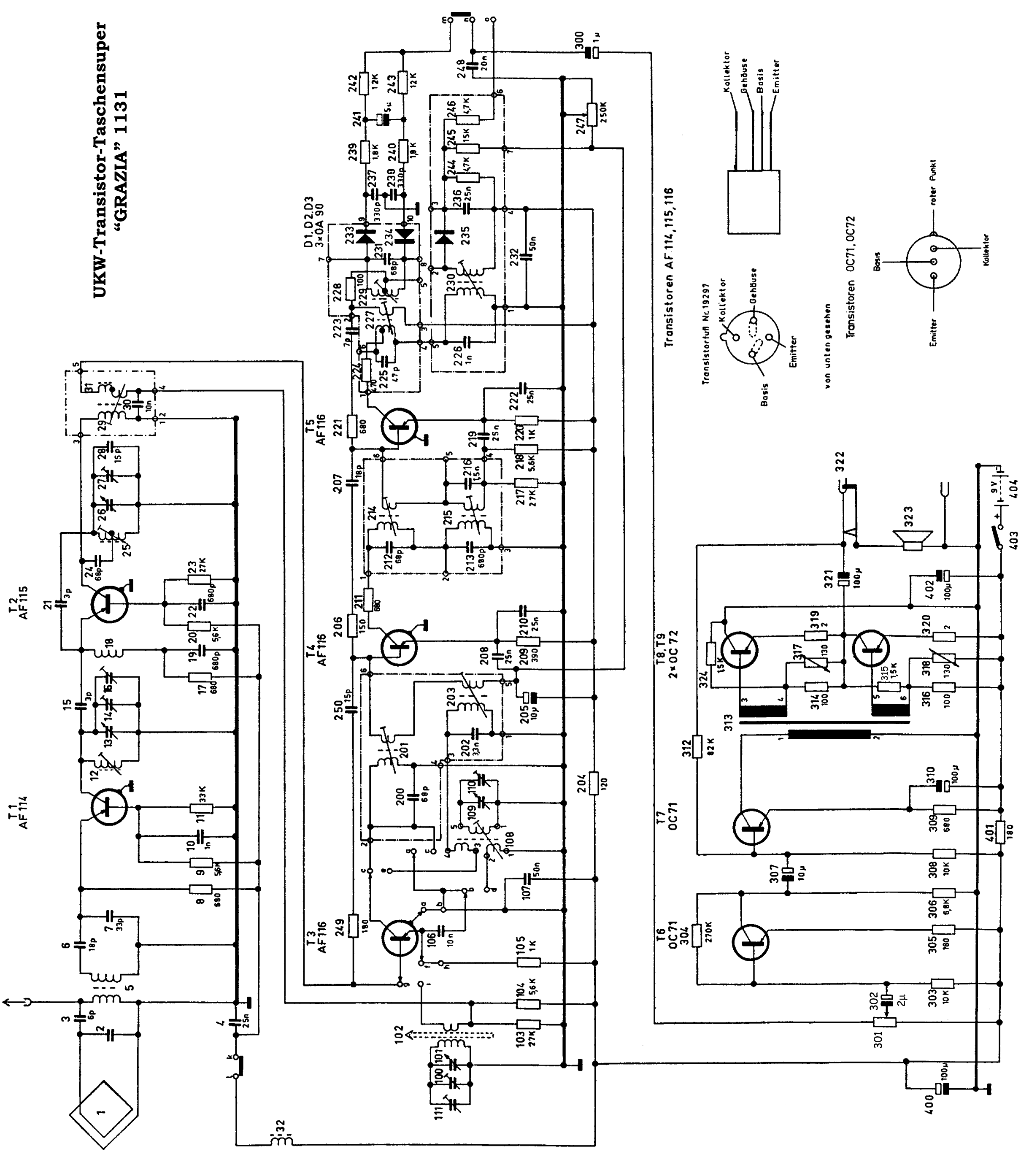
Ein Blick in die SCHALTUNG zeigt im UKW-Teil die typischen Kandidaten für interne Masseschlüsse - was sich auch sofort bewahrheitete: T1 hatte Masseschluss und nach Hochlegen dieses Anschlusses lief UKW wieder, aber mit ständigem Knistern, Knacken, Lautstärkeschwankungen usw. ...
Man kann erkennen, dass T1 bereits einmal gewechselt wurde. Ich kann nur vermuten, dass hier wiederum ein defekter Transistor eingebaut wurde oder dieser Defekt eben beim Ein-/Umbau entstanden ist. "Shit happens"
Die Knack- und Knisterstörungen hatten ihre Ursache in Korosionerscheinungen in der Trageschnur und deren Clip. Nach einem Bad in Zitronensäure funktioniert das aber jetzt wieder ganz gut. Langfristig muss hier für Ersatz gesorgt werden. Ich denke, dass eine metallische Trageschlaufe für Kameras funktionieren könnte - zumindest sehen die schon mal so ähnlich aus...
Die Lautstärkeschwankungen (die sich als wilde Schwingungen herausstellten) haben mich doch eine Weile beschäftigt. Irgendwie war alles sehr instabil und Lageabhängig ...
schließlich habe ich herausgefunden, dass der UKW-Rahmen an den falschen Lötpunkten lag.
Nach Korrektur spielt nun auch UKW ganz hervorragend und der Klang überrascht wirklich !
Ich denke, Gerald wird Freude daran haben ... _________________ Gruß TipFox Zuletzt bearbeitet von TipFox am 17.01.2023, 15:01, insgesamt 3-mal bearbeitet |
|
|
Nach oben
|
|
 |
snzgl
Ist leider für immer von uns gegangen.
Status:  Eintritt: 24.03.2006 Mitgliedsnr.: 26 Beiträge: 290 #: 65 BL: Meck-Pom 
|
2/2, Verfasst am: 09.07.2009, 12:45
Betreff:
|
|
|
Lieber Jürgen
Was kannst Du nicht? Glaube, eines Tages baust Du doch noch einen DVB-T Detektor oder irgend etwas anderes seltsames, woran niemand denkt. _________________
 |
|
|
Nach oben
|
|
 |
|
|
|
Du kannst keine Beiträge in diesem Bereich schreiben. Du kannst auf Beiträge in diesem Bereich nicht antworten. Du kannst deine Beiträge in diesem Bereich nicht bearbeiten. Du kannst deine Beiträge in diesem Bereich nicht löschen. Du kannst an Umfragen in diesem Bereich nicht mitmachen.
|
|
|

Unsere Software nutzt mehr als 70 Erweiterungen, von der großen Mod bis zum kleinsten Snippet. Wir bedanken uns für das Engagement bei:
AbelaJohnB, Acid, acoolwelshbloke, AmigaLink, asdil12, AWSW, blubbin, Brewjah, CBACK, Chaze, DimitriSeitz, Flance, Flipper, FuNEnD3R, Hainer, Jamer, Leuchte, Mac, MagMo, mgutt, mitsubishi,
mosymuis, Niels, Nivisec, Nuttzy, OXPUS, PhilippK, Pthiirk, romans1423, R.U.Serious, S2B, Saerdnaer, scheibenbrot, SlapShot434, Smartor, spooky2280, Tuxman, ultima528, Underhill,
Wicher, ycl6, ~HG~.
phpBB 2 © 2001, 2005 phpBB Group; deutsche Übersetzung: phpBB.de & IG-FTF; Konfiguration & Layout: IG-FTF © 2009, 2013
Vielen Dank für Ihre Visite bei der Interessengemeinschaft Funk-Technik-Freunde!
Bitte besuchen Sie auch die HP Tonaufzeichnung, das Original von Ralf Rankers,
verantwortlich betreut und fortgeführt von der Interessengemeinschaft.
Impressum
|